电子邮件:
roadway7386@163.com
电话:4006335258 / 4006225258
首页
关于我们
路得威简介
荣誉资质
厂区外景
加工设备
检测设备
新闻动态
联系我们
:
全部
产品名称
关键词
产品型号
产品摘要
产品描述
全文搜索
:
全部
产品名称
关键词
产品型号
产品摘要
产品描述
全文搜索
首页
关于我们
路得威简介
荣誉资质
厂区外景
加工设备
检测设备
新闻动态
联系我们
电子邮件:
roadway7386@163.com
电话:4006335258 / 4006225258
当前所在位置:
首页
»
产品中心
»
液压原理设计
»
液压原理设计
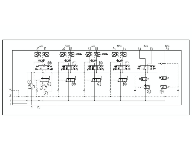
液压原理设计
阀组壳体设计
阀组壳体加工
阀组调试
阀组装配
油缸活塞
传感器油缸
活塞杆内通油油缸
油缸
loading
loading
液压原理设计
状态:
询价
加入询价篮
上一条:
下一条:
液压原理设计
济宁路得威智能科技有限公司是山东路得威工程机械制造有限公司的控股公司,是致力于研发、设计、制造液压控制阀组和高端精密油缸的专业公司。
快速链接
首页
关于我们
新闻动态
联系我们
联系我们
公司地址:
山东济宁高新区黄王路173号
电子邮件:
roadway7386@163.com
联系方式:18505477386 / 18505477371
4006335258 / 4006225258
QQ:2106880276 / 3276576436
18505477386
18505477371
4006335258
4006225258
2106880276
3276576436
roadway7386@163.com
版权所有
2021
济宁路得威智能科技有限公司
鲁
ICP备2021029954号-1
鲁公网安备37089702000603号